Les Condensateurs Tantales
1.1. Description
Composant électrique constitué de deux conducteurs
(les armatures), séparés par un isolant, le diélectrique.(diélectrique
: Substance isolante susceptible d'acquérir une polarisation
en présence d'un champ électrique).
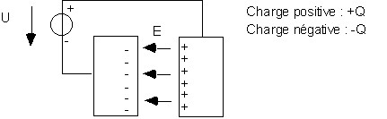
Lorsqu'on applique une différence de potentiel entre ces armatures,
une charge électrique s'accumule dans le condensateur, proportionnelle
à la tension appliquée et à une grandeur caractéristique
du condensateur appelée sa capacité. La capacité
d'un condensateur dépend de la dimension des armatures, de l'épaisseur
de l'isolant ainsi que d'une caractéristique de cet isolant appelée
sa constante diélectrique.
1.2.Symbole
ou pour les condensateurs Polarisés 


pour les condensateurs variables

1.3.Unité
; Formules
La capacité se mesure théoriquement en farad (symbole
F) ; cette unité étant trop élevée,
on préfère utiliser des sous-multiples : le microfarad
(1mF, qui vaut 10-6 farad),le
nanofarad ( nF,10-9 F)et le picofarad
( pF, 10-12 F).
Pour un circuit donné, on définit
sa capacité C comme le rapport de la charge accumulée
sur la tension appliquée à ses bornes, soit en fait son
aptitude à emmagasiner des charges électriques, de l'énergie
électrostatique :
avec la capacité C constante, c'est-à-dire
autonome et linéaire, on obtient :
1.3.1.Charge et Décharge d'
une capacité
Au début S1 et S2 sont ouvert donc la
tension au point A = 0 |

|
Ensuite ont ferme S1 et on observe la tension qui donne
la courbe de charge d' un condensateur. |

|
En fin si S1 est ouvert et S2 fermé on observe
la tension qui donne la courbe de décharge . |

|

1.3.2.Effet
capacitif
Cet effet correspond au troisième phénomène
très important. Lorsqu'on applique une différence de potentiel
à deux conducteurs isolés
les uns des autres, on assiste à
une accumulation de charges par influence électrostatique. C'est
cela l'effet capacitif. Il peut être ardemment recherché
et dans ce cas on fabrique des condensateurs précis ou de grande
capacité. Très souvent, l'effet capacitif est présent
à titre parasitaire comme par exemple lors d'accumulation de
charges entre deux lignes conductrices. Dans ce cas, on cherche à
minimiser ses effets sur le temps de réponse de la ligne.

1.3.3.Tension de claquage
Outre sa capacité, un condensateur est caractérisé
par :
- la tension de claquage, qui mesure la différence
de potentiel à partir de laquelle une étincelle se
produit entre les armatures, en générale fatale au
condensateur. Cette tension, qui dépend de la distance entre
les armatures et de la nature du diélectrique, définit
le type d'application du condensateur .Attention si l' on dépasse
la tension maximal d' un condensateur polarisé chimique celui
ci peut exploser .
1.3.4.La
résistance de fuite
- la résistance de fuite ou courant de
fuite, qui traduit le fait que le diélectrique n'est pas
toujours un isolant parfait. Lorsque le condensateur est chargé,
un léger courant peut circuler à travers le diélectrique
et décharger spontanément le condensateur.
1.3.5. Capacité en séries :
Ce type de montage est très peut utilisé
:
=
= >

1.3.6. Capacité en parallèles :
Par contre elles se trouvent plus souvent montées
en parallèle, leurs capacités s'ajoutent:
=
= > 
C = C1 + C2

1.4.Valeurs
Pour plus de détails sur les types de
condensateurs voir le chapitre 1.5 VARIANTES
1.4.1.Condensateurs
commun NON Polarisé
La valeur est indiqué
dessus mais peut être aussi déterminé par un code
de couleur tout comme une résistance sur les anciens condensateurs
.

Comment repérer les anneaux ?
Le premier anneau est celui qui est le plus proche du bord. Les deux
premiers anneaux sont toujours les chiffres significatifs. Les 2 premiers
anneaux sont donc les chiffres significatifs. L'anneau suivant est le
multiplicateur .Le 4ème anneau indique la tolérance, puis
vient l'anneau indiquant la tension maximal.
Il existe des séries de condensateurs
normalisées. E 6 , E 12 le chiffre indique le nombres de valeurs
possible par série .
les valeurs s'échelonnent de quelques picofarads (10-12
farad) à une fraction de farad, sont réalisés suivant
des modèles très différents, bien que deux armatures
conductrices séparées par une couche isolante de matériau
diélectrique peuvent être toujours identifiées.(diélectrique
: Substance isolante susceptible d'acquérir une polarisation
en présence d'un champ électrique).
Maintenant le moyen mnémotechnique pour retenir le code des
couleurs. Il suffit de se souvenir de la phrase :
Ne |
Manger |
Rien |
Ou |
Jeûner, |
Voila |
Bien |
Votre |
Grande |
Bêtise |
Noir |
Marron |
Rouge |
Orange |
Jaune |
Vert |
Bleu |
Violet |
Gris |
Blanc |
0 |
1 |
2 |
3 |
4 |
5 |
6 |
7 |
8 |
9 |
Ne manger rien ou jeûner, voila bien votre
grande bêtise... Une simple
phrase. Reste à ne pas confondre le vert avec le violet, le bleu
avec le blanc.

1.4.2.Condensateurs à diélectrique
film plastique ,céramiques .
Voici
des exemples de fabrications pour un condensateur de 100 nf
Condensateurs à films plastique
- MKT :
Polyester (Polyéthylène ou mylar)
- MKC :
Poly carbonate
- MKP :
Polypropylène
- MKS :
Polystyrène (styroflex)
La valeur de ces condensateurs varie du micro Farad ( µF )
au nano Farad ( nF ) .
La valeur est indiqué dessus et voici des exemples pour comprendre
les règles :
Marquage |
Capacité |
* |
Tolérances |
3p3 |
3,3pF |
* |
F +/- 1% |
33p |
33pF |
* |
G +/- 2% |
330p |
330pF |
* |
H +/- 2,5% |
n33 |
330pF |
* |
J +/- 5% |
33n |
33nF |
* |
K +/- 10% |
330n |
330nF |
* |
M +/- 20% |
µ33 |
330nF |
* |
|
3µ3 |
3,3µF |
* |
|
33µ |
33µF |
* |
|
Pour la tension d' utilisation maximal elle est indiqué dessus
en volt avec le symbole - pour continu et ~ pour alternatif :
100-
= 100 Volts maxi en continu .
Les condensateurs céramiques
Pour les condensateurs plus petit du nano Farad ( nF ) au pico Farad
( pF ) ont utilise les condensateurs céramiques.
codage américain
Marquage |
Capacité |
100 |
10pF |
220 |
22pF |
470 |
47pF |
101 |
100pF |
221 |
220pF |
102 |
1nF |
103 |
10nF |
104 |
100nF |
224 |
0,22µF |
La tension d ' utilisation maximale est de 100 Volts voir 50 V pour
certaines marques
1.4.3.Les condensateurs
pour tension alternative
Ce sont des condensateurs
qui ont des propriétés ( auto cicatrisante ) particulièrement
adapté pour les tensions alternatives .
Ils font partie
de la classe X ,X2 ou Y .




1.4.4.Condensateur
variable manuellement :
Pour des applications radios ont utilise des condensateurs ajustables
; leurs valeurs varient de 6,8 pF à 50 pF .
Le principe est
simple plusieurs demi lames sont fixe et en tournant la vis ont bouge
les autres demi lames ainsi ont modifie la surface de charge du condensateur
.

Condensateurs Ajustables Boîtier Plastique
Diamètre |
Couleur |
Capacité pF |
6 mm |
jaune |
marron |
rouge |
vert |
bleu |
orange |
|
6,8 - 45 |
9,8 - 60 |
4,2 - 20 |
5,2 - 30 |
2,7 - 10 |
6 - 50 |
|
7,5 mm |
jaune |
bleu |
vert |
rouge |
violet |
|
1,4 - 10 |
1,6 - 15 |
2 - 22 |
2 - 30 |
3 - 40 |
|
10 mm |
|
5,5 - 40 |
5,5 - 65 |
6 - 80 |
7 - 100 |
|
1.4.5.Les condensateurs
CMS
Les circuits électroniques
utilise aussi des Condensateurs CMS ( Composant miniature de
surface ).Ces
condensateurs sont directement soudées du coté des pistes
.

existent aussi en versions polarisés 
1.5.Variantes
Quelques types
de condensateurs :
- Les condensateurs
à diélectrique film plastique
(polypropylène, polystyrène,
polyester...) le diélectrique a une permittivité relative
de l'ordre de 2 à 3, les gammes de capacités s'étendent
entre 100 pF et 10 µF.
Pour des applications où de fortes valeurs
de capacités sont nécessaires, on a recours aux condensateurs
au tantale (volume réduit), dans le domaine des hautes fréquences
(1 MHz à 1 GHz) il faudra utiliser des condensateurs céramiques
hyperfréquences.
- Les
condensateurs céramiques ont des
armatures en aluminium séparées par un diélectrique
au titanate de baryum ; les capacités vont du pF au µF.
- Les condensateurs
au mica sont
constitués par un empilement de feuilles de mica aluminées
sur les deux faces, formant une association de condensateurs en parallèles,
les capacités peuvent atteindre quelques µF.
- Les condensateurs
électrochimiques aluminium sont constitués de deux armatures en
aluminium séparées par un électrolyte gélifié
en borate d'ammonium. Par électrolyse une fine couche d'alumine
isolante se forme par oxydation sur l'anode et constitue le diélectrique.
Les valeurs des capacités sont élevées
mais ces condensateurs présentent l'inconvénient d'être
polarisés (+ pour l'armature positive).
- Dans la même famille nous trouvons les
condensateurs au tantale, peu coûteux,
de dimensions plus réduites, sont polarisés également,
mais travaillent généralement sous des tensions plus faibles
que les condensateurs aluminium.
- Les condensateurs à papier paraffiné, dont les armatures
sont constituées par des feuilles d'aluminium, le diélectrique
étant le papier paraffiné, le tout enroulé. Leurs
capacités peuvent atteindre quelques µF.
- Les condensateurs
variables à lame d'air constitués de deux paires d'armatures, dont l'une
mobile par rapport à l'autre sont utilisés pour "accorder"
des circuits en fréquence.
1.6. Utilisations
Les utilisations des condensateurs reposent sur les deux propriétés
précédentes. En courant continu, les condensateurs servent
à accumuler une charge qu'ils peuvent restituer très rapidement.
En courant alternatif, ils fonctionnent comme des filtres. Associés
à des inductances, ils permettent de réaliser des circuits
résonnants.
1.6.1.Utilisation des condensateurs non polarisés
:
Accumulation de charge :
Ce montage montre la charge et la décharge des condensateurs
pour réaliser un circuit Astable .


Pour le filtrage aussi voir l' exemple dans le dossier suivant sur
les condensateurs polarisés.
2.1.Composition
Les condensateurs sont parfois constitués par un empilage alterné
de feuilles minces conductrices et isolantes, présenté
soit sous une forme plane, soit sous la forme d'un rouleau. Les diélectriques
peuvent être du papier, du mica ou des matériaux plastiques.
On trouve également des condensateurs réalisés
par deux cylindres métalliques coaxiaux (ce sont les deux armatures)
séparés par une solution permettant par électrolyse
le dépôt d'une couche très mince d'oxyde isolant
sur l'une des armatures, formant ainsi le diélectrique. La capacité
d'un condensateur étant d'autant plus grande que l'épaisseur
de son diélectrique est faible, on peut obtenir de ces composants
" électrochimiques " des capacités élevées
sous un faible volume, capacités pouvant aller jusqu'à
500 ou 1 000 microfarads.
Il existe aussi des condensateurs dont le diélectrique est
une céramique obtenue par cuisson à haute température
d'un mélange de substances minérales. On obtient ainsi
des constantes diélectriques extrêmement élevées
(de 100 à 10 000 microfarads) permettant de réaliser des
condensateurs d'usage courant de volume réduit et de coût
modique.(céramique : n. f. Technique de fabrication d'objets
divers par solidification à haute température d'une pâte
humide plastique, ou agglutination d'une poudre sèche préalablement
comprimée, sans passer par une phase liquide ; par extension,
les objets eux-mêmes ainsi fabriqués ).
2.2.Formules
+
2.2.1.L'accumulation de
charges : un phénomène physique
Le phénomène physique correspond
au stockage d'énergie sous forme électrostatique. Le stockage
est momentané et cette énergie est restituée au
circuit en tension.
L'énergie accumulée par l'élément
capacitif vaut :
2.2.2 Capacité
d'un condensateur à plaques
On a pour un condensateur à plaque :
2.2.3 Linéarité
et autonomie des condensateurs
Les problèmes de linéarité
des condensateurs sont plutôt rares, mais pas exclus, puisqu'on
peut aussi obtenir une saturation et une hystérésis du
champ
de
déplacement électrique, comme vu précédemment
pour le champ d'induction magnétique.
Un exemple de capacité non autonome est
donné par des capteurs capacitifs : on peut contrôler l'épaisseur
de fines couches d'isolants, s'ils sont suffisamment diélectriques,
en mesurant la capacité de plaques entre lesquelles passent des
feuilles d'isolant à tester.
2.2.4 Analogie mécanique
de la capacité
En mécanique, une partie de l'énergie
mécanique d'un système peut être emmagasinée
dans des éléments dit élastiques, comme des lames.
Il s'agit d'une énergie potentielle liée à des
éléments dits ressorts, et on modélise la force
de rappel linéairement en la position, pour les petites variations
de cette dernière. De nouveau, on écrit la caractéristique
de la capacité en termes de tension et charge, et on constate
le même type d'analogie que précédemment pour l'inductance
et la résistance :
3.1.Exercices
Quel est le code des couleurs pour les condensateurs suivantes :
C1 = 10 nF 100 V
C2 = 470 nF 400 V
C3 = 680 nF 250 V
pour vous aider modifiez les valeurs des anneaux ...